不锈钢膜盒压力表产品简介
不锈钢膜盒压力表参照原膜盒压力表的结构特点而研制的具有耐腐蚀作用的微压表。应用于锅炉通风的气体管道等设备上,在耐腐要求较高的工艺流程中测量各种气体介质的微压和负压。
不锈钢膜盒压力表常见相似型号有YE-100B,YE-150B,YE-100H,YE-150H等。
不锈钢膜盒压力表主要技术指示;
精确度等级:2.5
测量范围:(kPa)
0~4;0~6;0~10;0~16;0~25;0~40;0~60; -4~0;-6~0;-10~0;-16~0;
-25~0;-40~0;-2~2;-3~3;-5~5; -8~8;-12~12~;-20~20
使用环境条件:-25~55℃,相对湿度不大于80%
抗工作环境振动:V H 3级 ,
重量:0.4kg(FY-100B)、1kg(YE-150B)
□不锈钢膜盒压力表结构原理
不锈钢膜盒压力表由测量系统(包括接头、波纹膜盒等),传动机构(包括拨杆机构,齿轮传动机构), 指示部件(包括指针与度盘)和外壳(包括表壳、衬圈和表玻璃)所组成。仪表的工作原理是基于波纹膜在被测介质的压力作用下,其自由端产生相应的弹性变形,再经齿轮传动机构的传动并予放大,由固定于齿轮轴上的指针逐将测值在度盘上指示出来。
YE-100B在结构上有调零装置,可以方便调整零位。
导压系统及外壳的材料
另件名称 | 材料牌号 |
接头 | ICr18Ni9 |
膜盒 | ICr18Ni9 |
表壳、表盖、表环 | ICr18Ni9 |

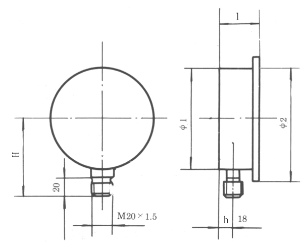
型号 | H | h | 1 | Φ1 | Φ2 |
YE-100B | 90 | 18 | 54 | 100 | 102 |
YE-150B | 120 | 18.5 | 60 | 150 | 152 |